2025年4月15日
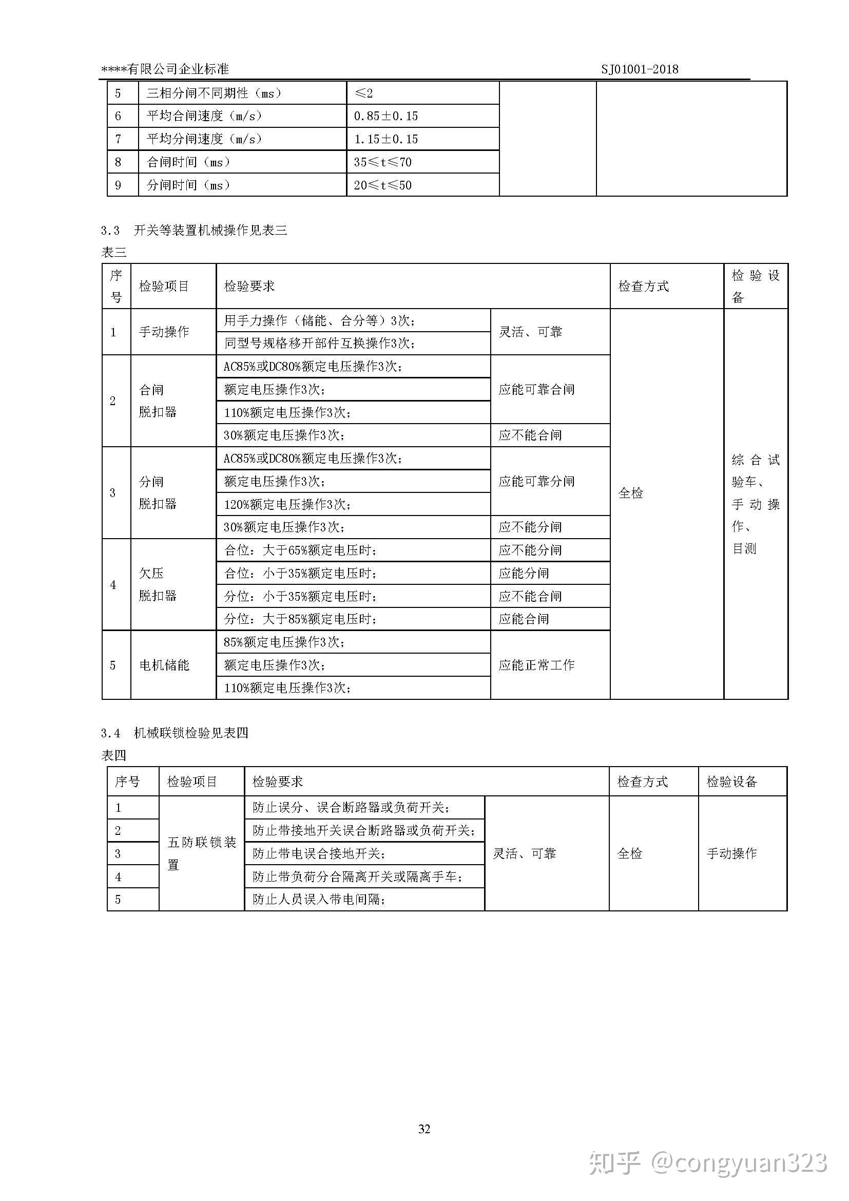
低压电气设备规范标准详解

低压电气设备规范标准详解

随着科技的不断进步,电气设备在各个领域的应用越来越广泛,为了保证电力系统的安全、可靠运行,低压电气设备的规范标准显得尤为重要,本文将详细介绍低压电气设备的规范标准,以提高设备的安全性、保障人民生命财产安全。低压电气设...

警示与反思,不规范用药引发八胞胎事件

警示与反思,不规范用药引发八胞胎事件

近年来,一则关于“不规范用药生八胞胎”的新闻引起了广泛关注,这一事件不仅令人震惊,也为我们敲响了关于医疗安全、尤其是用药安全的警钟,本文将围绕这一事件展开,探讨其背后的原因、影响,并提出相应的对策和建议。事件概述据报...

战火纷飞之际,最新阵容搭配攻略详解图揭秘!

战火纷飞之际,最新阵容搭配攻略详解图揭秘!

在战火纷飞的战场上,如何搭配出最强大的阵容是取得胜利的关键,本文将为大家带来最新阵容搭配攻略图,助你轻松应对各种战斗场景,赢得胜利。在各类游戏中,阵容搭配是取得胜利的重要因素之一,在战火纷飞的战场上,选择合适的英雄、...

失独家庭数据深度解析,2015年现状分析及对策建议

失独家庭数据深度解析,2015年现状分析及对策建议

背景介绍失独家庭是指由于各种原因导致独生子女死亡,且无法再次生育或领养子女的家庭,近年来,随着社会经济快速发展和人口老龄化加剧,失独家庭数量逐渐增多,成为一个不容忽视的社会问题,本文将围绕“失独家庭数据2015”这一...

花叶落实扦插,园艺艺术的细致魅力

花叶落实扦插,园艺艺术的细致魅力

随着人们对园艺艺术的热爱日益加深,各种植物的养护技巧也备受关注,花叶落实扦插作为一种繁殖植物的重要方式,其技巧和方法更是被广大园艺爱好者所追捧,本文将通过一段生动的扦插视频,为您详细解读花叶落实扦插的每一个环节。视频...

突发性耳聋患者能否喝白酒?深度解析酒精对听力潜在影响!

突发性耳聋患者能否喝白酒?深度解析酒精对听力潜在影响!

突发性耳聋是一种突发的听力丧失症状,常常令人担忧和困扰,面对这种情况,患者常常会寻求各种信息,包括日常生活中的一些习惯是否会对听力产生影响,比如是否能喝白酒,本文将探讨突发性耳聋与酒精之间的关系,解读酒精对听力的潜在...

主体责任落实进展汇报,深度解读与亮点呈现!

主体责任落实进展汇报,深度解读与亮点呈现!

在当前社会发展新形势下,各类主体责任的落实显得尤为重要,为了更好地履行社会责任,提高工作效率,我单位针对主体落实责任进行了深入实践,并取得了一定成效,本汇报将详细介绍我单位在主体落实责任方面的具体做法、成果及未来规划...

高效标书制作秘籍,专业品质,领先竞争力

高效标书制作秘籍,专业品质,领先竞争力

在日益激烈的市场竞争中,标书制作作为企业与项目对接的重要环节,其效率与质量直接关系到企业的竞争力,一份高效、专业的标书不仅能够展现企业的实力与诚意,更能赢得客户的信任与支持,如何高效制作标书呢?本文将为您揭秘高效标书...

推动文明餐桌新风尚,公筷宣传照片引领健康用餐潮流

推动文明餐桌新风尚,公筷宣传照片引领健康用餐潮流

随着社会的不断发展,人们对健康生活的追求日益强烈,在这个时代,健康生活不仅是一种生活方式,更是一种社会责任,为了更好地倡导健康饮食,提高公众对卫生意识的重视,公筷宣传照片的推广应运而生,成为推动文明餐桌新风尚的重要力...

专题讲章网,探寻知识的奥秘宝藏

专题讲章网,探寻知识的奥秘宝藏

随着互联网技术的飞速发展,人们对于获取知识的需求日益旺盛,专题讲章网作为一个在线学习平台,为广大求知者提供了一个全新的学习途径,本文将介绍专题讲章网的特点、优势以及如何充分利用这个平台探索知识的新天地。专题讲章网的特...

Top